CAPACITACIONES EN NEUMATICA BASICA
La capacitación en neumática es fundamental para aquellos que trabajan en industrias donde los sistemas neumáticos son utilizados. Estos sistemas, que funcionan mediante aire comprimido, son esenciales en una variedad de aplicaciones, desde la automatización de procesos hasta el funcionamiento de herramientas y maquinaria.
Objetivos de la Capacitación
Comprender los conceptos básicos: Familiarizar a los participantes con los principios de funcionamiento de los sistemas neumáticos, incluyendo la generación, control y utilización del aire comprimido.
Identificar componentes: Aprender sobre los diferentes elementos que componen un sistema neumático, tales como compresores, válvulas, cilindros y mangueras.
Mantenimiento y seguridad: Capacitar a los participantes en las mejores prácticas de mantenimiento de sistemas neumáticos y en procedimientos de seguridad para prevenir accidentes.
Resolución de problemas: Desarrollar habilidades para diagnosticar y solucionar fallas comunes en sistemas neumáticos.
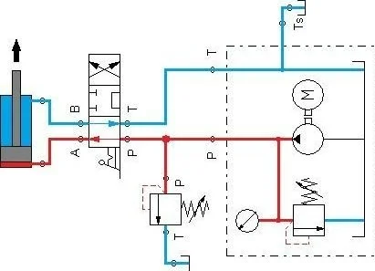
Contenido del Curso
Introducción a la neumática: Principios y aplicaciones.
Componentes de un sistema neumático: Tipos y funciones.
Circuitos neumáticos: Diseño y análisis de circuitos.
Instrumentos de medición: Uso de manómetros y otros dispositivos.
Público Objetivo
Esta capacitación está dirigida a ingenieros, técnicos, personal de mantenimiento y cualquier profesional interesado en adquirir conocimientos sobre sistemas neumáticos.
Conclusiones
La capacitación en neumática es esencial para mejorar la eficiencia y seguridad en el manejo de sistemas que utilizan aire comprimido, otorgando a los participantes las habilidades necesarias para optimizar su uso y mantenimiento.

